
產品系列 : 接地電阻在線測試儀(非接觸)
在線監測接地系統的回路接地電阻、金屬回路聯結電阻、接地引下線的連接狀況,金屬線纜防盜監測
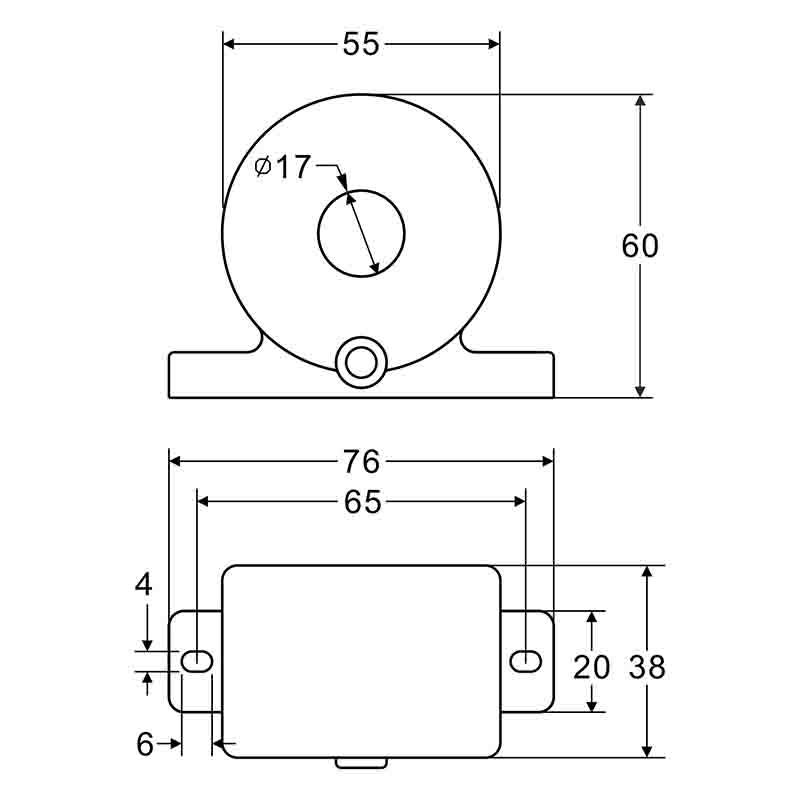
穿孔尺寸:Φ17mm
電阻量程:0.010Ω~100Ω
通訊方式:RS485通訊,4G通訊
報警功能:可設置報警閾值
防爆標志:ExiaⅡBT3Ga
小口徑傳感器
產品簡介
ETCR2800E接地電阻在線檢測儀又稱小口徑接地電阻遠程在線測試儀、非接觸型接地電阻在線檢測儀、回路電阻在線檢測儀,用于在線監測回路接地電阻、金屬回路聯結電阻、接地引下線的連接狀況,金屬線纜防盜監測。檢測儀適用于輸電線路桿塔接地;氣象防雷接地;石油化工接地;通訊接地;變配電站接地;鐵路設施接地;建筑倉庫接地;金屬回路阻值;電氣設備接地等。
ETCR2800E采用非接觸測量技術,不需輔助接地極,接地線穿心通過,不影響防雷接地效果和設施的正常運行,開合式結構,安裝時無需斷開接地引下線,方便快捷。通過檢測儀面板按鍵可設置報警臨界值,具有聲光報警指示,監測儀具有RS485通訊或4G通訊,用戶可以自行組建成有線網絡系統或無線網絡系統實現遠程在線監測接地系統。ETCR2800E為小口徑傳感器,尺寸小重量輕,適合安裝在空間狹小場所。
ETCR2800E接地電阻在線檢測儀已通過防爆認證,其安全防爆認證參數整機滿足GB/T3836.1-2021和GB/T 3836.4-2021標準相關要求。其防爆標志為Ex iaⅡB T3 Ga,它可應用于相應的易燃易爆環境中。
產品特點
1、非接觸測量技術,不需輔助接地極,安裝簡易。接地引下線直接穿過檢測儀穿孔,不影響防雷接地效果和設施的正常運行。
2、提供傳感器和PCB模塊,便于用戶二次開發接地電阻在線監測產品。
3、尺寸小重量輕,適合安裝在空間狹小場所。
4、報警功能:可設置報警閾值(通過電路板按鍵設置或后臺設置)。/5、RS485通訊或4G通訊,實現遠程實時監測。
5、防爆型產品可用于相應的易燃易爆環境中。

技術參數
| 規格名稱 | 規格參數 |
| 電 源 | 6VDC~12VDC,50mA Max(外部供電) |
| 數據顯示 | 4位LCD |
| LCD尺寸 | 47mm×28.5mm |
| 電阻量程 | 0.01Ω~100Ω |
| 分 辨 力 | 0.001Ω |
| 精 度 | ±2%rdg±3dgt(20℃±5℃,70%RH以下) |
| PCB尺寸 | 75mm×54mm×22mm |
| 傳感器尺寸 | 76mm×60mm×38mm |
| 穿孔尺寸 | Φ17mm |
| 傳感器質量 | 約188g |
| PCB接口 | J1:信號輸出、電源輸入接口 J2:傳感器與PCB連接口 |
| J1標識 | P+:電源輸入正 P-:電源輸入地 GND:信號地,與電源輸入地(P-)短接 R+:信號輸出正 R-:信號輸出負 |
| J2標識 | I+、I-電流線圈接口 U+、U-電壓線圈接口 GND:共地 |
| 連接線 | 1條,長0.5米(5芯線) |
| 信號線 | 1條,長1米(5芯線) |
| 報警設置 | 檢測儀面板按鍵設置或后臺設置 |
| 報警臨界值設定范圍 | 電阻:0Ω~500Ω(設置為500時關閉報警功能) |
| 通訊方式 | RS485通訊,4G通訊(選購) |
| 連接線標識 | 紅色---電源輸入正; 黑色---電源輸入地;(電源輸入地與屏蔽地可以短路連接) 綠色---RS485信號正; 黃綠色---RS485信號負; 白色---屏蔽地; |
| 溢出指示 | 測試值大于100Ω時,LCD顯示“OLΩ”符號 |
| 換檔 | 全自動換檔 |
| 地線干擾電流 | 應避免 |
| 外部磁場 | <40A/m |
| 外部電場 | <1V/m |
| 單次測量時間 | 約0.5秒 |
| 工作電流 | 50mA Max. |
| 安裝 | 地線穿心通過傳感器中心孔 |
| 安裝要求 | 電路板需要另外置于其他防護箱內 |
| 常規版本4G | LTE-FDD B1/B3/B5/B8 LTE-TDD B34/B38/B39/B40/B41 |
| 全球版本4G | LTE-FDD B1/B2/B3/B4/B5/B7/B8/B12/B13/B18/B19/B20/B25/B26/B28 LTE-TDD B38/B39/B40/B41 WCDMA B1/B2/B4/B5/B6/B8/B19 GSM B2/B3/B5/B8 |
| 工作溫濕度 | -20℃~55℃;20%RH~90%RH |
型號對比
品圖片 | 產品型號名稱 | 穿孔尺寸 | 電阻量程 | 電流量程(選購) | 產品結構 |
| ETCR2800B接地電阻在線檢測儀(2025款) | 56mm×27mm | 0.010~200Ω | 0.0mA~20A | 整體式+閉環式傳感器 |
| ETCR2800C接地電阻在線檢測儀(2025款) | 56mm×27mm | 0.010Ω~200Ω | 0.0mA~20A | 整體式+閉環式傳感器+顯示屏 |
| ETCR2800KB接地電阻在線檢測儀(2025款) | 56mm×27mm | 0.010Ω~200Ω | 0.0mA~20A | 整體式+開合式傳感器 |
| ETCR2800KC接地電阻在線檢測儀(2025款) | 56mm×27mm | 0.010Ω~200Ω | 0.0mA~20A | 整體式+開合式傳感器+顯示屏 |
| ETCR2800S接地電阻在線檢測儀(2025款) | 56mm×27mm | 0.010Ω~200Ω | 0.0mA~20A | 分體式+閉環式傳感器+顯示屏 |
| ETCR2800KS接地電阻在線檢測儀(2025款) | 56mm×27mm | 0.010Ω~200Ω | 0.0mA~20A | 分體式+開合式傳感器+顯示屏 |
| ETCR2800E小口徑接地電阻在線檢測儀 | Φ17mm | 0.010Ω~200Ω | 0.0mA~20A | 裸板+傳感器 |
| ETCR2800N內置式接地電阻在線檢測儀 | 65mm×36mm | 0.010Ω~200Ω | 0.0mA~20A | 裸板+傳感器 |
| ETCR2800T不銹鋼接地電阻在線檢測儀 | 53mm×20mm | 0.010Ω~200Ω | 0.0mA~20A | 裸板+不銹鋼殼體傳感器 |
產品視頻